Производство

Чертежи

Работаем по предоставленным Вами чертежам, или помогаем их разработать

Материалы

Работаем как со своими материалами, так и с предоставляемыми заказчиком

Качество

Производим детали на станках с ЧПУ, контролируем качество на всех этапах производства

Схема работы

Отправка
заявки

Вы отправляете заявку с чертежом детали на почту, после чего с Вами связывается менеджер. Если у Вас нет готовых чертежей — мы поможем их разработать

Оценка
стоимости

Наши специалисты оценивают сложность изготовления детали, определяют техпроцесс и быстро формируют предварительную стоимость заказа

Оплата
заказа

После согласования производится оплата заказа. Работаем с наличной и безналичными формами оплаты, по полной предоплате или с частичным авансом

Производство
и доставка

Производим заказанную продукцию, проверяем её на соответствие требований, упаковываем и доставляем в срок на указанный адрес

Блог

Новости / 16 февраля 2026

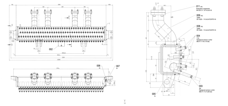
Коллекторы охлаждения валков прокатного стана для Новолипецкого металлургического комбината

И снова отгрузка в адрес Новолипецкого металлургического комбината.

Новости / 15 февраля 2026

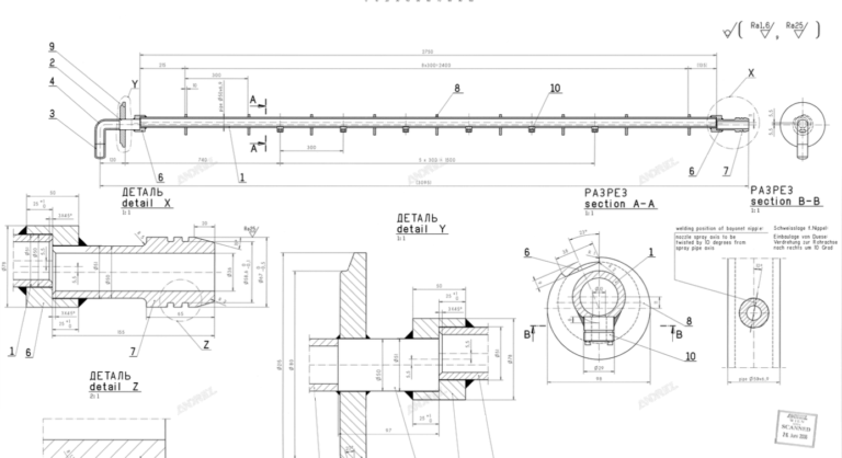
Сопловые блоки для Новолипецкого металлургического комбината

Для нашего постоянного заказчика – Новолипецкого металлургического комбината, выполнена работа по проектированию и изготовлению небольших по габаритам, но высокоточных изделий.

Новости / 13 февраля 2026

Отгрузка партии коллекторов Новолипецкому металлургическому комбинату

Завершили отгрузку в адрес Новолипецкого металлургического комбината нескольких партий коллекторов для линий травления листового металла.

Новости / 28 августа 2025

Отгрузка партии двойных маятниковых затворов для АО «СТОЙЛЕНСКИЙ ГОК»

Наша компания успешно завершила производство и поставку партии для одного из крупнейших предприятий металлургической отрасли России.

Новости / 20 августа 2025

Отгрузка пневмокабеля для ПАО «НЛМК»

Завершили очередной интересный заказ в адрес Новолипецкого металлургического комбината ПАО «НЛМК» - пневмокабели для управления коллекторами селективного охлаждения валов реверсивного прокатного стана для цеха динамной стали комбината.

Контакты

Адрес:

Липецк, ул Ковалёва, дом 111а